邮箱:sales@qdlgm.com

English
关于我们 新闻中心 联系我们

请输入内容按Enter键搜索

  • 首页
  • 船用锚链
    • 锚链及附件
      • 有档锚链
      • 肯特卸扣
      • 末端卸扣
      • D型连接卸扣
      • 转环组
      • 三环组
      • 旋转卸扣A型
      • 旋转卸扣B型
      • 梨形卸扣
      • 三角板
      • 紧链卸扣/狗骨头卸扣A
      • 紧链卸扣/狗骨头卸扣B
      • H型卸扣
      • LTM 末端卸扣
      • LTM 连接卸扣
      • 前锁连接卸扣
    • 无档链条
      • 热镀锌链条
      • 无档链条
    • 船用锚
      • 霍尔锚 A,B,C型
      • 日本无杆锚
      • 斯贝克锚
      • 大抓力锚AC-14
      • 三角钢板锚
      • 巴尔德锚
      • MK-5锚
      • 大抓力波尔锚TW型
      • 大抓力波尔锚N型
      • 丹弗尔锚
      • 布鲁斯锚
  • 船舶舾装
    • 巴拿马导缆孔
      • 导缆孔ISO13728-甲板型
      • 导缆孔ISO13729-甲板型
      • 导缆孔ISO13729-悬墙型
      • 导缆孔Type EU-甲板型
      • 导缆孔Type EU-悬墙型
      • 导缆孔JISF2017-AC甲板型
      • 导缆孔JISF2017-BC悬墙型
      • 导缆孔DIN81915A-悬墙型
      • 导缆孔DIN81915C-甲板型
    • 带缆桩
      • 带缆桩ISO13795-A型
      • 带缆桩ISO13795-B型
      • 带缆桩NS2584
      • 快速脱链器CB/T4246
    • 滚轮导缆器
      • 滚轮导缆器ISO13776
      • 滚轮导缆器DIN81907
      • 导向滚轮ISO13755-A型
      • 导向滚轮DIN81906
      • 导向滚轮JISF2014/CB*58-83
      • 滚柱导缆器DIN81902
      • 滚柱导缆器JISF2026
    • 旋转导缆器
      • 旋转导缆器YS471
      • 旋转导缆器AF457
    • 止链器
      • 止链器JISF2002
      • 止链器JISF2015-87
      • 滚轮止链器JISF2032
      • 止链器OCIMF美油协会标准
    • 止链器托架
    • 系船柱
      • 三角T型系船柱/船墩
      • 鹿角系船柱/船墩
      • 双头系船柱/船墩
      • 肾型系船柱/船墩
      • 单头系船柱/船墩
      • 高柱系船柱/船墩
  • 五金索具
    • 卸扣
      • 美式卸扣G209
      • 美式卸扣G210
      • 美式卸扣G2130
      • 美式卸扣G2150
      • 日式弓型卸扣
      • 日式D型卸扣
      • 欧式弓型卸扣
      • 欧式大D型卸扣
      • 澳标弓形卸扣AS2741
      • 澳标D型卸扣AS2741
      • 英标弓形卸扣BS3032
      • 英标D型卸扣BS3032
      • 国标拖网卸扣
    • 花兰
      • 美式花兰
      • 美式锻打花兰
      • 韩式花兰
      • 日式开体花兰
      • 德标花兰DIN1480
      • 意式玛钢花兰
      • 普通玛钢花兰
      • 闭式花兰
      • 捆绑花兰
    • 旋转环
      • 旋转环G401
      • 旋转环G402
      • 旋转环G403
    • 强力环类
      • 80级美式A-342锻造强力环
      • 80级美式A-344焊接强力环
      • 80级美式A-345组合环
      • 80级欧式A-343强力环
      • 80级欧式强力组合环
      • 80级美式A-336双环扣
      • 80级美式A-337双环扣
      • 80级欧式双环扣
      • 80级欧米伽环
      • 模锻圆环
      • 锻造梨形环
      • X型羊角环
      • H型羊角环
    • 吊钩类
      • 80级美式眼型自锁安全钩
      • 80级美式羊角自锁安全钩
      • 80级欧式旋转自锁安全钩
      • 80级欧式新型眼型自锁安全钩
      • 80级欧式新型羊角自锁安全钩
      • 80级眼型滑钩带舌片
      • 80级眼型带翅抓钩
      • 80级焊接钩
      • 80级羊角带翅抓钩
      • 美式旋转货钩
      • 美式直杆货钩
      • 美式眼型滑钩
      • 美式眼型货钩
      • 美式眼型抓钩
      • 美式羊角滑钩
      • 美式羊角抓钩
      • 抓钩
      • 眼型弯钩
      • 绞车钩
      • 拖车钩
    • 起重链条
    • 捆扎链
    • 紧索具
      • 弹簧拉紧器
      • 棘轮式拉紧器
      • 杠杆式拉紧器
      • HL链条拉紧器
    • 起重夹钳
      • 立式起重夹钳
      • 水平式起重夹钳
    • 起重葫芦
      • HSH手板葫芦
      • HSC/HSZ型手拉葫芦
      • 电动葫芦
    • 吊带
      • 圆形吊带
      • 扁平吊装带
      • 扁平吊装带 眼&眼
      • 吊眼型圆形吊带
  • 钢丝绳和配件
    • 钢丝绳卡头
      • 美式玛钢卡头
      • 美式模锻卡头
      • 美式合式锻打卡头
      • B型玛钢卡头
      • A型玛钢卡头
      • 泰式玛钢卡头
      • 日式锻打卡头
      • 德标卡头DIN1142
      • 德标卡头DIN741
      • 澳式玛钢卡头
    • 钢丝绳套管
      • 椭圆形钢套SM-506
      • 美式椭圆形铝套
      • 德标铝制套管DIN3093
    • 钢丝绳套环
      • 美式标准套环G-411
      • 美式重型套环G-414
      • 美式实心套环G-412
      • 德标套环DIN6899A
      • 德标套环DIN6899B
      • 英式套环BS464
      • 欧式普通套环
      • 国标普通套环
      • 钢铸鸡心套环
    • 钢丝绳索节
      • 闭式索节
      • 开式索节
    • 钢丝绳索具
      • 铝套压制软眼索具
      • 钢套压制软眼索具
      • 压制钢丝绳绳圈
      • 钢丝绳插编索具
      • 钢丝绳连接头形式
一级标题
一级标题
船用锚链
  • 锚链及附件
    • 有档锚链
    • 肯特卸扣
    • 末端卸扣
    • D型连接卸扣
    • 转环组
    • 三环组
    • 旋转卸扣A型
    • 旋转卸扣B型
    • 梨形卸扣
    • 三角板
    • 紧链卸扣/狗骨头卸扣A
    • 紧链卸扣/狗骨头卸扣B
    • H型卸扣
    • LTM 末端卸扣
    • LTM 连接卸扣
    • 前锁连接卸扣
  • 无档链条
    • 热镀锌链条
    • 无档链条
  • 船用锚
    • 霍尔锚 A,B,C型
    • 日本无杆锚
    • 斯贝克锚
    • 大抓力锚AC-14
    • 三角钢板锚
    • 巴尔德锚
    • MK-5锚
    • 大抓力波尔锚TW型
    • 大抓力波尔锚N型
    • 丹弗尔锚
    • 布鲁斯锚
锚链及附件
  • 首页
  • 产品展示
  • 船用锚链
  • 锚链及附件
  • LTM 连接卸扣

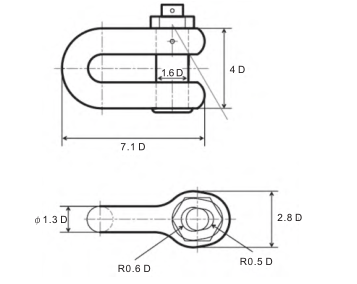
LTM 连接卸扣

联系我们
  • 上一个 : LTM 末端卸扣
  • 下一个 : 前锁连接卸扣
产品描述

LTM 连接卸扣



相关产品
有档锚链

有档锚链

肯特卸扣

肯特卸扣

末端卸扣

末端卸扣

D型连接卸扣

D型连接卸扣

转环组

转环组

三环组

三环组

旋转卸扣A型

旋转卸扣A型

旋转卸扣B型

旋转卸扣B型

梨形卸扣

梨形卸扣

三角板

三角板

紧链卸扣/狗骨头卸扣A

紧链卸扣/狗骨头卸扣A

紧链卸扣/狗骨头卸扣B

紧链卸扣/狗骨头卸扣B

H型卸扣

H型卸扣

LTM 末端卸扣

LTM 末端卸扣

LTM 连接卸扣

LTM 连接卸扣

前锁连接卸扣

前锁连接卸扣

  • 青岛力格机械有限公司

    青岛力格机械有限公司致力于船舶配套、海洋工程等专业领域产品的生产经营和技术服务。 产品涵盖船舶设备、甲板机械、舾装件,五金索具等专业产品。 多年来坚持为国内外客户提供可靠的产品和服务.

  • 产品分类

    船用锚链 船舶舾装 五金索具 钢丝绳和配件
  • 公司新闻

    青岛力格诚邀您莅临2022新加坡海事展 时间:2021.01.25
    青岛力格第20届中国国际海事展圆满收官 时间:2019.12.10
    青岛力格与您相约2019中国国际海事技术学术会议和展览会 时间:2019.09.26
  • 联系我们

    sales@qdlgm.com

    18853276600

    0532-83571111

    0532-89063528

    山东省青岛市即墨区蓝鳌路672号

©2019 青岛力格机械有限公司 版权所有 冒用必究  English